Оригинальные запчасти для болгарки Makita GA5090 — каталог, схема и полный ассортимент деталей

В этой категории интернет‑магазина представлены оригинальные запчасти Makita GA5090, которые обеспечивают качественный ремонт и долговечность инструмента. Здесь вы найдёте все необходимые комплектующие: от шпинделя и гайки до статора, ротора и графитовых щёток.
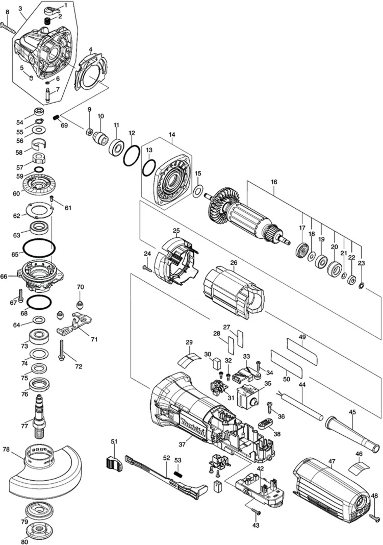
В категории размещена деталировочная схема Makita GA5090, где каждая запчасть имеет свой номер. Рядом находится список товаров, соответствующих схеме. Нажав на название, вы переходите на страницу конкретной детали с фото, размерами, описанием и отзывами, что позволяет быстро подобрать нужную запчасть.
Преимущества оригинальных запчастей Makita
Оригинальная запчасть Makita Параметры: Диаметр 4 мм/ Длина 7 мм мм.
Оригинальная запчасть Makita. Для моделей: 5014NB, 5016NB, 8419B, 9562, 9562C, 9562CH, 9562CR, 9562CV, 9562CVH, 9562CVR, 9564, 9564CV, 9564H, 9565, 9565C, 9565CLR, 9565CR, 9565CV, 9565CVL, 9565CVR, 9565H, 9566C, 9566CR, 9566CV, 9566CVR, BO6040, GD0800C, GD0810C, HR3200C, HR3210C, HR3210FCT, HR3540C, HR3541FC, HR4001C, HR4002, HR4010C, HR4011C, PW5000C, PW5000CH, SG1250. Характеристики: Диаметр 12х21,5 мм/ Толщина 0,5 мм.
Оригинальная запчасть Makita. Для моделей: 9562, 9562C, 9562CH, 9562CR, 9562CV, 9562CVH, 9562CVR, 9564, 9564CV, 9564H, 9565, 9565C, 9565CLR, 9565CR, 9565CV, 9565CVL, 9565CVR, 9565H, 9566C, 9566CR, 9566CV, 9566CVR, BO6040, GD0800C, GD0810C, HR2800, HR2810, HR2810T, HR2811F, HR2811FT, PW5000C, PW5000CH, SG1250. Параметры: Внешний диаметр 25,5 мм/ Внутренний диаметр 7,5 мм/ Толщина 5,5 мм.
Оригинальная запчасть Makita. Для моделей: 9562, 9562C, 9562CH, 9562CR, 9562CV, 9562CVH, 9562CVR, 9564, 9564CV, 9564H, 9565, 9565C, 9565CLR, 9565CR, 9565CV, 9565CVL, 9565CVR, 9565H, 9566C, 9566CR, 9566CV, 9566CVR, 9910, 9911, BHR202, BHR241, BHS630, BO6040, GD0800C, GD0810C, JS1600, LF1000, LF1000, LH1040, LH1040, LH1040F, LH1040F, LS1030, LS1030, LS1040, LS1040, LS1040F, LS1040F, PW5000C, PW5000CH, SG1250. Параметры: Диаметр 7х16,5 мм/ Толщина 0,5 мм.
627S NMB / Входит в комплектацию электроинструмента Makita. Параметры: Внешний диаметр 22 мм/ Внутренний диаметр 7 мм/ Высота 7 мм/ Прорезиненный пыльник.
Оригинальная запчасть Makita/ Для моделей: 4340CT, 4340FCT, 4341CT, 4341FCT, 4350CT, 4350FCT, 4351CT, 4351FCT, 9562C, 9562CH, 9562CR, 9562CV, 9562CVH, 9562CVR, 9564CV, 9565C, 9565CLR, 9565CR, 9565CV, 9565CVL, 9565CVR, 9566C, 9566CR, 9566CV, 9566CVR, BO6040, PW5000C, PW5000CH, RT0700C, SG1250, TM3000C/ Параметры: Диаметр 6,2х11 мм/ Толщина 0,1 мм.
Оригинальная запчасть Makita/ Для моделей: 4340CT, 4340FCT, 4341CT, 4341FCT, 4350CT, 4350FCT, 4351CT, 4351FCT, 9562C, 9562CH, 9562CR, 9562CV, 9562CVH, 9562CVR, 9564CV, 9565C, 9565CLR, 9565CR, 9565CV, 9565CVL, 9565CVR, 9566C, 9566CR, 9566CV, 9566CVR, BO6040, GD0800C, GD0810C, PW5000C, PW5000CH, SG1250/ Внешний диаметр 15 мм/ Внутренний диаметр 6 мм/ Высота 5 мм/ Ширина шлицов 5,2 мм.
Оригинальная запчасть Makita/ Для моделей: 4340CT, 4340FCT, 4341CT, 4341FCT, 4350CT, 4350FCT, 4351CT, 4351FCT, 9562C, 9562CH, 9562CR, 9562CV, 9562CVH, 9562CVR, 9564CV, 9565C, 9565CLR, 9565CR, 9565CV, 9565CVL, 9565CVR, 9566C, 9566CR, 9566CV, 9566CVR, BO6040, GD0800C, GD0810C, PW5000C, PW5000CH, RT0700C, SG1250/ Диаметр 6х11 мм/ Толщина 0,5 мм.
Оригинальная запчасть Makita. Характеристики: Диаметр резьбы 3 мм/ Длина резьбы 10 мм.
Оригинальная запчасть Makita. Характеристики: Диаметр резьбы 4 мм/ Длина резьбы 17 мм.